Wer möchte nicht mal seine CW-Kenntnisse auffrischen, seine Betriebspraxis verbessern ohne nicht gleich Amateurfunkfrequenzen zu benutzen? Dies ist ganz einfach mit einem VBand-Interface an einem Rechner mit Internetzugang möglich.
In diesem Beitrag beschreibe ich ein VBand-Interface und gehe auf die praktische Umsetzung am Rechner ein.
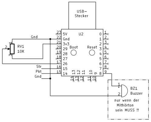
Dieses VBand-Interface basiert auf der Platine „Ein simpler Mausbeweger“, welche ich auf dieser Website im März 2025 veröffentlicht habe [1]. Dieses Mal habe ich eine andere Bauform gewählt. Es kommt noch eine kleine Lochraster Platine dazu. Auf diesem Stückchen müssen ein passiver Piepser ein Trimmpoti und eine 3,5 mm Klinkenbuchse montiert werden. Wenn alles über Pinreihen und passende Buchsen Steckbar gestaltet wurde ist man schon fertig. Der Schaltplan zeigt die Anordnung.

Folgende Bilder zeigen das Interface.


Für die praktische Anwendung des virtuellen CW-Bandes im Internet öffnet man die Website von Ham Radio Solutions [2]. Es zeigt sich ein Startbildschirm. Hier wird der zu verwendende Kanal festgelegt.

Im Reiter Settings müssen noch einige Einstellungen vorgenommen werden. Meine Einstellungen zeigt folgendes Bildschirmfoto.

Danach geht es zum Reiter Kanal. In diesem Fall der Kanal 4.

Dem QSO im Internett steht jetzt nichts mehr entgegen. Wenn die Taste in dieser Softwareversion 3 Minuten nicht gedrückt wird, wird ein sehr kurzer Punkt erzeugt und dadurch der Sperrbildschirm des PC verhindert.
Fragen und Erfahrungsaustausch gerne über meine E-Mail: dl1yar[at]dl1yar.
Quellen:
[1] Ein simpler Mausbeweger
[2] Ham Radio Solutions
73 de Winfried Vogler, DL1YAR
